聯測_電流隔離器_-杭州聯測自動化技術有限公司

熱銷產品: 電磁流量計 pH測量儀 無紙記錄儀 信號隔離器 超聲波液位計

您的位置: 首頁 > 信號隔離器
/d/file/p/2020/08-28/b3cadedab721f5331489352d1df7928a.jpg

產品名稱:聯測_電流隔離器_

產品簡介:

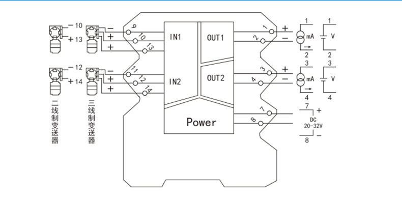
信號隔離器是一種信號隔離裝置,將輸入單路或雙路電流或電壓信號,變送輸出隔離的單路或雙路線性的電流或電壓信號,并提高輸入、輸出、電源之間的電氣隔離性能。

產品展示 Product Display







全國服務熱線

18767163200